8543 L40SX
Rich Starich of MSC, Inc. donated an 8543-044 and the battery charger for "the cause"!
Thanks to William Walsh for the memory and Trackpoint additions.
Open the 8543 (Not done!)
8543 Errors
8543 Power
5800 PSP
   TMC-850 SCSI adapter
   ISA 16/4 TAP adapter
Open L40SX
RFL40103.EXE PS/2 L40 Reference Disk v1.03
191-030 IBM PS/2 MODEL L40 SX SYSTEM AND FEATURES
191-204 IBM PS/2 Communication Cartridge I (3541)
L40 Quick Reference Guide (960K)
L40 Hints and Tips (44K)
L40 HMM Extract (148K)
SHS15F-2266-01 IBM PS/2 Model L40 SX HMS  (*.boo format reader HERE)
SHS15F-2267-00 IBM PS/2 Model L40 SX HMR  (*.boo format reader HERE)

Planar
Getting to 16MB RAM (or upgrading RAM at all)
Using 2MB EMS with Windows 3.x on the L40
Floppy
Hard Disk
Status Display
Trackpoint
Communications Cartridge
Troubleshooting
Fax Modem
Video
Clear A Power On Password
Minimum OS/2 Version Required
BSD / Linux
W95 on the L40SX 
Volksfürsorge Suitcase "Solution"

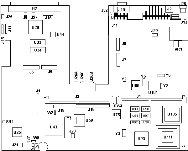
8543 Planar
8543 Planar Outline © Louis Ohland
 
J1 Fax/Modem
J2 Mouse
J3,4 72 pin SIMM
J5,6 Hard Drive
J7,8 Floppy
J9 Backup battery
J10 Serial
J11 Parallel
J13 LCD power
J14,15 LCD Panel
J16 HDD-15
J17 Expansion Unit
J18,19 Keyboard
J20 Speaker
J21 Icon (indicators)
J24 Power and Turbo
J25 Suspend/resume switch
J26A-C Battery
J27 Temp sensor?
J28 Power jack
J29 Bussed 8 pin jumper, unk
J32 Standby battery
SN1 Temp sensor
U25 Microchip AY0438/L
U26 WD90C20-LR
U33,34 TC511664JL-10
U43 Bios? Big honkin' PLCC
U44 WD90C61-JE
U59 ER107 PLCC
U75 8042AH
U89 WD76C30-LU
U90,91,96,97 TC514400JL-10
U92,98 TC 511000AJL-10
U93 WD76C10LP-LR
U101 WD76C21-LU
U105 PLCC socket for 387SX-20
U111 386SX-20
VR1 LT1171CT
W1 Outline for reset
W2 unk 3 pin POP?
W4 unk 2 pin
W2,5,6 unk outlines
Y1 20.000 M osc
Y2 24.000 M osc
Y3 40.000 M osc
Y5 48.000 M osc
Y6 14.318 M osc
Y7 32.768k xtal

Comments- There are at least five Linear Tech chips concentrated in the upper right that I didn't show. There are solder spots for a 60 pin header under the right side of the heatsink. The double box around the 386SX-20 is where there is a double row of solder pads that are all connected to the SMD leads of the 386SX. Possible upgrade that never showed up?
   The speaker wires aren't very sturdy. You can rip the wire pad right off the speaker if you aren't careful. I wasn't...

External keyboards are not supported. 80387SX Math Coprocessor PLCC


Using 2MB EMS with Windows 3.x on the L40 (by William Walsh)
Newsgroup Comments

When two 8MB memory modules are installed in the system unit, the planar's onboard 2MB of memory is allocated by automatic configuration as 2MB of EMS memory since the 386SX CPU can only address a maximum of 16MB extended RAM. This memory can then be used with a special driver IBM provides on the L40SX starter diskette. This driver is installable by means of the UINSTALL utility provided on the starter disk.

The driver is easily installed by UINSTALL but IBM warns you not to install the driver if you are a Windows 3.0 user. I decided to install the driver on my maxed-out L40 anyway since it didn't cause trouble with Windows 3.10. However, after transferring the 8MB part from one L40 to my other one, Windows for Workgroups 3.11 refused to start, complaining that an incompatible EMS driver was being loaded.

David L. Beem looked in his Windows 3.1 resource kit and found the answer to my problem. A simple addition of

IgnoreInstalledEMM=On

to the Windows SYSTEM.INI file under the [386Enh] section solved the problem and made the system work great with IBM's EMS driver.

Update: An attempt to create a RAM disk using the EMS RAM and booting Windows 3.11 resulted in total loss of the data on the RAM disk even though Windows did see it.


RAM Upgrades

Modifying standard SIMMs to L40 is HERE
2,4, or 8MB 80ns (expandable to 18MB)
Supposedly, using two 4MB SIMMs is NOT supported.

 (by William Walsh)
The L40SX has 2MB of planar memory. Some units may have at least one 4MB module installed. In either case, more memory than 2 or 6MB total may be desired. This is where things get a little bit interesting, as the L40 uses lower power SIMMs and standard SIMMs might not work.

4MB SIMMs have been successfully converted for use in the L40SX by more than one person. However, it is supposed that you can only use one 4MB SIMM in the system--two are simply not allowed. (Anyone want to prove or disprove this?

No modifications to 8MB modules have worked as of this writing (04/2002). However, a somewhat satisfactory solution using modified 16MB modules at half capacity has been found. I have been lucky enough to find two L40 with genuine 8MB modules in them, so I have not attempted any modifications.

The one module I had modified for me (a 4MB module) by David Beem was rejected by both my L40SX. It was usable and passed diagnostics, but gave a constant "164" from the system at POST.


Floppy

FRU 79F0983 PN 72X6074 Panasonic JU-237AO3W
Cable FRU 79F0987 PN 65F0223 by Rogers

   Floppy is in a carrier and it has a metalized plastic shield around all sides but the front. Small cutout for the drive connectors in the back. The cable is the much beloved tape style. 17mm high "super slim" 3.5-inch floppy disk drive


Hard Disk

60MB HD 79F1009 Connor CP2067 5v 640 mA
80MB HD 95F4714
Cable, HD FRU 79F0988 PN 65F0224
MFR ID 31745, has the same print style as the floppy cable, marked as being made by Rogers.

Due to its vintage, the L40 undoubtedly has the 504M limit disease on native BIOS support. You can use a Disk Manager software package to overcome this limit.

Unless you buy a standalone disk manager program, free ones provided by drive makers will generally only work with that manufacturer's drives...

Peter Wendt sez:
Not long ago I installed an 850MB drive on Martins L40SX with Microhouse EZDrive - must have been an older version. Worked like a charm with no problems after setting the IDE Master jumper right.

If you want an alternative product: Look in the "support / download" pages at www.maxtor.com and download the stand-alone (bootable) version of MaxBlast ...



Status Display

From left to right
Economy switch, carrier detect, speaker, batter status, dew point, HD in use, Floppy in use, Num Lock, Cap Lock, Scroll Lock, Suspend Mode, Power Switch.

Peter Wendt sez:
The L40SX (8543) was a japanese/US co-product, where the technology came from Japan - and the design, marketing and supervision was located in Boca Raton. That was unneccessary complicated and lead to a near 1-year-delay of the project L40.


Trackpoint (Model L40 SX) 1397090 (by William Walsh)
Option Diskette and Trackpoint courtesy of Tim Knight. Disk image coming soon.

Switching from Trackball to Mouse operation (or the other way around)

L40SX Trackpoint
1. Hold the pointing device by the sides with the track ball facing up.
2. Press the latch cover buttons and pull the top cover toward you. The top cover will release.
3. Pull top cover until the top is in the locked position.
4. Turn the pointing device over so the trackball is now facing down.
 
 

Function Of Trackball Mode Buttons

The two small buttons facing the front of the Trackpoint enable drag lock for either the left or right buttons. The two large buttons function as normal "click buttons".

Installation

Turn off the computer and all attached options. Connect the pointing device directly to the pointing device connector on the computer or on the pointing device passthrough located on the numeric keypad.
 

IBM PS/2 Communication Cartridge I (3541)

Q.. Is there any way to attach a LAN or terminal emulation adapter to the L40SX?
A. The PS/2 Communication Cartridge I (Type 3541) is an A/C-powered external expansion cabinet that can take one half-length adapter. It is intended for use with network or terminal emulation adapters (such as 3270 and 5250). At 7.1 x 3.4 x 5.7 inches, and 2.6 lbs., it is small and light enough to be taken on the road with the laptop.

Q. The announcement letter says that only LAN adapters, 3270 and 5250 emulation adapters are supported in the Communications Cartridge I. Can other adapters be used as well?
A. Generally speaking, yes, if the adapter is 8" long or less. There will be some adapters that won't work, however; memory and video adapters, for example. Also, the IBM SDLC adapter is known not to work. (It can only be configured as COM1 or COM2, which are reserved by the L40 for the built-in serial port and the optional serial port or fax/modem.)

Troubleshooting

Q. I can't seem to print anything.
A. Make sure your parallel port is turned on. Use PS2.EXE to check the status of your ports.

Q. I can't get my communication software to recognize my serial port (or internal fax/modem).
A. Make sure your serial port is turned on. Use PS2.EXE to check the status of your ports.

Q. I can't get my serial mouse to work.
A. Make sure your serial port is turned on. Use PS2.EXE to check the status of your ports.



Fax/Modem PN 95F4817 FRU 79F0996

U10 Unk
U11 YM7109C-J
U13 KM62256ALG-10
 
 
 
 
 
 
 


 

J1 50 pin header
U3 Firmware FR 101
U4 80C32-1
U5 73D215A-CH
U6 73M214A-IH
Y1 14.745 M osc
Y2 9.830 M osc
 
 

Interesting, uses the 80C32-1 cpu...

It has two RJ11 phone jacks for concurrent network and telephone handset connections. It supports data (up to 2400bps) and fax (9600bps) communications, and standard Hayes AT (R) commands.

Q. What is the syntax of the FAX command to use with the L40 Fax/Modem?
A. The FAX command must be followed by a file name and phone number to dial. There is no "front end" to the program; it is strictly command line driven. The file transmitted must be straight ASCII or a PCX graphics file. You may use a plus (+) sign between files to send them contiguously, without page breaks between (for example, a business letterhead followed by the letter) or just one name after another to send them as separate pages. The phone number uses the standard Hayes (AT) modem command set.

Q.. What fax software can I use with the L40 Fax/Modem option?
A. No special software is needed. The Fax/Modem option includes a program that provides basic Send/Receive, View, Print, and Set Options features. The software will accept ASCII, PCX, TIFF, or fax file formats for transmission.

Q. If I have the Fax/Modem installed in a L40, with the speed turned down to 5 or 10MHz, will this affect the performance or accuracy of the Fax input/output?
A. The Fax/Modem is not supported at 5MHz; and for best results in a multitasking environment, such as in the OS/2 DOS box, or under Windows, the 20MHz speed should be used.



Video
Easy to read, 10-inch Supertwisted Nematic (STN) LCD with 640 X 480 Video Graphic Array (VGA) resolution, and cold fluorescent sidelighting with a 12 to 1 contrast ratio. 10mm thick, black on white monochrome. Depending on the application, up to 32 grey scales can be addressed on the LCD. It displays black characters on a white background with 80 characters per line and 25 lines per screen.

Q. I can't get an external monitor to work off the PS/2 Model L40 VGA port; the monitor is blank. What's wrong?
A. To use the external VGA port, you must first use the setup program to change the display type from LCD to CRT. Once this is done, the video signal will be rerouted to the external monitor.

Q. When I attach an external monitor or projection device to the PS/2 Model L40 VGA port, the LCD goes blank. Is there any way to have both displays working simultaneously (for doing demonstrations to large audiences)?
A. Only one display can be used at a time; either the built-in LCD, or an external monitor or projection device. However, some devices that convert VGA output to "standard" analog RGB output for video projectors have video cables with "piggyback" VGA connectors, so that a monitor can connect to the back of the plug that goes into the VGA port. In this manner, the demonstrator has an external monitor to look at, while the audience sees the projection screen. (One such conversion box is called the Extron 109, manufactured by Covid Electronics. Other such products may also exist; this is not meant as an endorsement of this particular vendor or product; merely an example.)



Clear Power on Password
1. Power-off the computer and unplug the power cord.
2. Remove the system-unit cover.
3. Move the password jumper J23 (Ed. W2 on my planar) to connect the center pin and the pin on the opposite end of the connector.
4. Power-on the computer to erase the password. There is no need to move the jumper back to the previous position.

OS/2

Q. What's the minimum OS/2 version required for the L40?
A. OS/2 V1.30.1 is the minimum requirement.

BSD / Linux on 8543

Alfred Arnold takes a guess with:
   I don't think it's impossible.  My L40SX has 8MB, hard drives up to the 500MB limit shouldn't be a problem and from the software's point of view, it's a 32-bit system.  That's quite enough for an older Linux or BSD installation, though it might not be much fun to work with it ;-)

W95

William Walsh went for it:

A while back I installed Win95 on my L40SX. The experience went pretty well and speed wasn't all that bad...maybe not on the order of using it this way for serious work, but fast enough for tinkering.

Anyway...Windows 95 didn't detect the onboard VGA as plain VGA. The chipset used is a Western Digital something and that's what Win95 found. I have not been able to locate a data sheet for the IC used, but I wonder if it is capable of more than plain VGA with a memory upgrade/hack?

I suppose the likelihood of the internal panel supporting more than 16 grays is not good, but an external CRT could always be used for the higher up modes.
 


Volksfürsorge Suitcase Solution
Peter Wendt reminisces:
  The German Insurance company Volksfürsorge had a suitcase-solution based on the L40SX. I used to service these machines in the early 90s. They had quite a lot of them delivered to their crew of sales droids ... and then IBM found out that the L40SX had a serious insulation problem with the internal DC-DC converter ... I must have patched up several 100 if them.

   The "docking station" consists out of the power supply (charger for the external battery pack / supply for laptop and printer) plus some wires for DC-Supply (laptop and printer) and a flat-ribbon cable for the printer data. The Kodak / Diconix printer was awfully mediocre. Another version of that suitcase used the Canon BJ10 / BJ20 or its IBM-cousin (have one in the collection - not using it however).

   They later switched to the TP700 / TP720 ... plus an Olivetti inkjet of outstanding lousy quality.
Wonder how they made it clear to them that it looks good to walk around with a Samsonite-like piece of luggage. The Olivetti jammed regularly, made grinding noises during print (if it did) and the output was close to unreadable in 8 from 10 cases (missing lines, ink spots etc.pp.) plus the "standard extra" of trying to fanfold the paper otherwise when it goes through. It was a real shame. Really.

   The prints looked poor even when the printer was brand new. Older units - after 3 or 4 month of irregular use and poor to no maintenance - created even far more worse results. The complaints never ended. Not about the IBM Thinkpad (apart from being a tad slow and about some display deficites) but the charger electronics inside and the printer were pretty bad.

   If the charger itself didn't blew up it "helped" to fry the batteries - that extra pack as well as those on the printer. The laptop had its own charger circuit ... if the charger blew however it used to took laptop and printer with it due to a large spike of overvoltage. No one *I* asked really liked these "integrated solutions". (But that could as well be a false impression, since I used to meet the people when they had their systems repaired ... some had good stories to tell ... )

   A life-care competitor used the Canon BN120 laptop with integrated printer for their sales / customer-service staff.  I had one and sold it last year (I think - or the year before). It was a 486DX2-25/50 / 8MB / 540MB HD / 9.5" Mono-LCD machine and the printer was largely based on the BJ10 with a 10-sheet single feeder - and it worked surprisingly good. The machine was a bit too thick for my taste and therefore a bit unusual to work with *on a desk*. But it worked at least *and* made respectable printouts.

9595 Main Page