[100420/0422]

ジャンク充電器を、AC100V用に改造しました

先日、パーツ探しの途中、さるジャンク店で面白いものを見付けました。
電極をレバーで左右(扇形)に振る事が出来て、一応どんな充電池にでも合わせられそうな充電器で、充電池本体はバネの利いた板の先でくわえ込む方式。(左写真&<プッシュ>)
ちょうど、自家製充電器がぶっ壊れた処なので、これを流用出来ないかと2個買ってみました。(\100/個税込)

ところが、これは入力AC180〜240V用(50Hz専用?)です。国内のAC100Vで使いたいので、回路を解析して、改造!
結果、(NP-60などの試充電では、)上手く行きそうでした。v(^^)
追記: [0422]
C-770LI-10Bでは、6時間ほど掛かりましたが、自動的に充電停止、満充電ランプが点灯しました。
どうやら、この充電器は、4.25V(200mA)緩充電タイプのようです。
−−−−−−−−−−−−−−−−−−−−−−−−−
動作の確認
筐体裏側の刻印には、Input:AC180〜240V 50Hz,Output:DC2.8〜8.7V 250mAhとありました。
(そばにあった箱?に入れて買って来たのですが、その箱にはAC100〜230V DC4.25V 200mAと書かれていたけど、これは別物かな?でも、操作の説明は、この箱書きが有用でした)

で、AC100Vでやってみたら、LEDなどは点灯するのですが、やはり充電は出来ません。
100V-160Vのトランスを使ってAC180Vを入力したら、ちゃんと充電を始めたので、この充電器は一応動作品のようです。(左上写真)
中を開けて基板を眺めてみたのですが、改造箇所は簡単には見付かりません。(左上写真<クリック>)
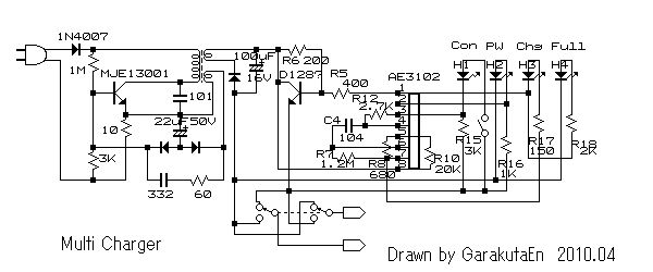
そこで、何はともあれ、“回路の読み解き”が必要です。

回路の解析
下図は、描き出した回路図で、改造点は下図<クリック>。(多少、間違いがあるかも)


回路図は、毎回BSCHで作成。
水魚堂 H.Okadaさんに、感謝! <(_"_)>
始め、入力側のトランジスタMJE13001 600V,0.2A)のベースとエミッタを読み違えていたため動作が飲み込めず、改造すべき箇所もよく分かりませんでした。
何度か見直していて、やっと、ベースへの電流供給用高抵抗1MΩが、ミソだと気が付きました。

部品の追加、完成!
ベース抵抗1MΩは、多分180〜240Vに合わせてあるはずなので、これを半分位にすればどうなるか?
500KΩと入れ替えればよいのですが、簡便な方法として、1MΩを並列に繋ぎました。(左写真)

結果、期待通り充電が始まって、充電/CH緑ランプが点滅し始めたので、これが正解だったようです。(左写真<クリック>)

尚、この充電器は、バッテリの向き/裏表のどちらにでも対応出来るようで、右端の極性切替SWをプッシュするだけで済むので、なかなか、便利♪
また、充電池の接続が適正になれば、電源/PW赤ランプが点灯

蛇足ですが、もう一つの充電器、試験中に何処かを壊したようで、充電動作に入らず。
止む無く、電極ピンだけを利用し、他のDC電源を援用する方式に、配線変更/改造しました。

[表紙頁]へ  関連記事の目次へ